低頻功率放大器參考電路圖解大全
功率放大器一般也被我們稱為電壓放大器,主要是把微弱信號進行電壓放大,其輸入輸出的電壓電流一般很小,不能夠直接驅動功率較大的儀器。為了滿足使用需求,需要在放大器末級增加功率放大器。而功率放大器主要就是放大信號功率,同時放大電壓電流,所以也屬于大信號放大器。
下面就來給大家介紹幾種比較常見的功率放大器電路圖。
一、雙電源互補對稱功率放大器(OCL電路)

圖:OCL電路原理圖
OCL電路的電路結構如上圖所示。該電路主要由VT1(NPN型)和VT2(PNP型)和負載組成。它由兩組正負相等的電源供電。信號是Ui,從兩管的基極輸入,負載是Rl。VT1又稱上功率輸出管,而VT2又稱下功率輸出管。
OCL電路的工作原理:當信號電壓是正半周的時候,VT1正向導通,VT2截止,+VCC通過VT1的c-e結,流過負載,從而在負載上得到放大后的正半周信號;當信號電壓是負半周的時候,VT1截止,VT2正向導通,-VCC經負載與VT2的e-c結到負電源,從而在負載上獲得放大的負半周信號。正負半周信號在負載上合成全波。該電路之所以稱為互補對稱電路,是因為兩管交替工作,相互補充。
這種電路功率大,效率高,應用范圍廣,主要用于場輸出集成電路和平行四邊形校正電路。
二、單電源互補對稱功率放大器(OTL電路)

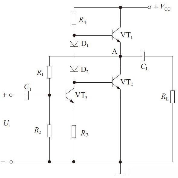
圖:OTL電路原理圖
OCL電路需要兩個電源,使用起來很不方便。因此,可以采用單電源供電的互補對稱功放電路,也稱為OTL電路。如上圖所示。圖中VT3是前置放大管,VT1、VT2組成互補對稱輸出級,D1、D2提供偏置并具有溫度補償。C1是信號輸入耦合電容,CL是輸出耦合電容。R1、R2和R3提供偏置。A點是功放的中點,其正常工作電壓為VCC/2。CL是一個相當于VCC/2的超大容量電源。
OTL電路工作原理:在Ui的負半周,VT3導通下降,集電極電壓升高,使得VT1導通加強,VT2截止。VCC通過VT1、RL對CL充電,其充電電流在負載RL中產生自上而下的電流(ic1),在負載處形成輸出電壓Uo的正半周。同時,電容器CL被充以“左正右負”的電壓。在Ui的正半周,VT3導通增多,VT1截止,VT2導通,CL上的電壓通過Q2、RL放電,放電電流產生自下而上的電流(ic2),它形成輸出電壓Uo負半周。結果是負載得到放大的輸出信號Uo。
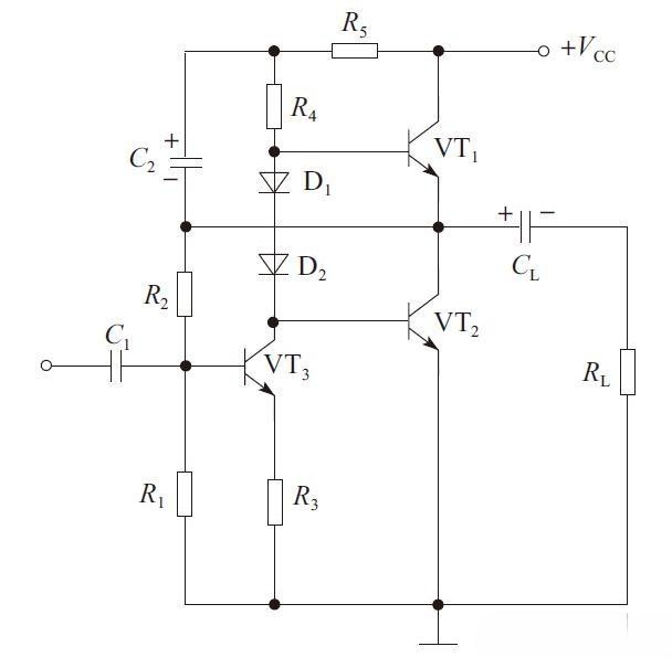
該電路存在動態范圍較小和最大輸出電壓幅值不足的問題。隨著VT3集電極電壓升高,VT1因基極電位升高而導通,導通越強,中點電壓越高,使得正偏置電壓Vbe1下降,VT1的動態范圍減小,最大輸出電壓太小。解決方法是加一個自舉電容C2和電阻R5,如下圖所示。

圖:增加電容和電阻后的OTL電路原理圖
安泰功率放大器推薦:ATA-4011B高壓功率放大器

圖:功率放大器ATA-4011B指標參數
以上就是安泰電子帶來的低頻功率放大器參考電路圖解大全的內容,如果對于功率放大器還有什么不清楚的,歡迎隨時咨詢我們。西安安泰電子是專業從事功率放大器、高壓放大器、功率信號源、前置微小信號放大器、高精度電壓源、高精度電流源等電子測量儀器研發、生產和銷售的高科技企業。公司致力于功率放大器、功率信號源、計量校準源等產品為核心的相關行業測試解決方案的研究,為用戶提供具有競爭力的測試方案,Aigtek已經成為在業界擁有廣泛產品線,且具有相當規模的儀器設備供應商,樣機都支持免費試用。如想了解更多功率放大器等產品,請持續關注安泰電子官網www.dzbanwu.cn或撥打029-88865020。
原文鏈接:http://www.dzbanwu.cn/news/892.html


























